整理:前蘇聯曾搞過的三進制計算機的效費比在晶體管時代更低_風聞
京雀-(装?)抑郁家里蹲2018-04-21 14:33
以前看小説的時候,看《繁榮》提過10進制計算機的可能性(作者好像是大連科學院的);然後看《花開美利堅》提過蘇聯的三進制計算機(但是主角穿越後變成女生了,沒一直看下去);《日在地球》雖然太監了,也提過三進制計算機。然後去百度百科搜索,發現上面提過三進制計算機效費比高,蘇聯搞過,但是被計劃委的官僚以太過科幻的理由否決了,很可惜。
去WIKI百科看,説法差不多,估計前者轉載後者的。而且提到法國搞激光計算機什麼的也在嘗試三進制。當時腦子一熱,給國家信訪發了個建議,我們是否也能搞搞三進制的……激光計算機什麼的?好像是個奇特的新思路?
不過,昨天和一個在色影無忌論壇認識的,研究鋰電池充電用管理單芯片的人聊了聊,他説三進制計算機只會更浪費電,還給了一些圖,第一個是晶體管非門:

第二個是帶電阻的類似結構(體積大,功耗大,浪費電):

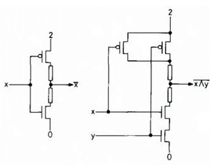
他説三進制計算機的基礎運算單元的電路圖大概是這樣的:

【上下分別是一個mos管,也可以用三極管代替……他補充説,現在的(二進制)電路是,上面打開,下面關閉,輸出是高電平。反之是低電平。狀態不變時,沒有電流因為總有一個是關閉的。要有第三個狀態,就是半電平,那麼上下都要打開。你可以把(二進制)上下看成各有一個閥門,上面開,下面關,有壓力;上面關,下面開,沒壓力;只有在二者切換的時候,才損失一點水。】
三進制要弄出第三個狀態就總是會多一些功耗。可能這個結構在真空管時代能通過一些特殊設計比二進制省電?但到了晶體管時代就沒戲了,註定被淘汰。
————
知乎上的最高贊成票的回答也是這個思路。暈菜,又給國家信訪發了個丟人的幼稚建議(無線輸電公路和汽車系統,我看英國一個公司做了個視頻動畫,當時一激動,也給國家信訪發了……知乎上的人説電力損失35%起,不見得效費比高。不過後來山東真出現了實驗性的,還挺興奮的,後來還聽説有人來破壞,更興奮了,有技術間諜對此感興趣反而説明技術有可行性~~)……
********
呃,現在才明白,原來WIKI百科上的學術知識點,也未必是靠譜的……雖然他們有個志願者審核機制,而且儘量保證政治立場中立(如三年自然災害時期不管是150萬的死亡人數的論點,還是荷蘭人瞎掰的6000萬到8000萬之類的論點都收錄),對非中立的文章會加小字警告……
但是,志願者審核機制就導致,真正涉及特別專業的知識點的文章,如果出現了技術錯誤,實際上普通志願者也是發現不了的……這樣看,一個真正優秀的網絡知識百科全書系統,還是得有一定比例的專業技術人員參與信息審核才對。政治中立不能替代專業知識水平高低。
————
另外,咱中國的攝影論壇真是藏龍卧虎,一個玩相機的其實還設計過單芯片……70年代出生的電子工程師好牛逼……感覺和外星人一樣厲害嘛,隨便看幾眼就把WIKI百科上的錯誤找出來了。
————
奇怪,上傳的png圖片源自QQ截圖的另存為,但是,發佈時説我發佈的是網絡圖片,總提醒我重新上傳,這是為啥?只好重新截圖發了一遍……還失敗。
之後把文字內容複製出去,再重新刷新整個頁面,再上傳jpg文件才成功。建議增加過濾機制,一開始就禁止上傳png文件。