專利解密:華為Mate30屏下指紋技術
集微網消息,近年來,越來越多的手機採用了屏下指紋技術,華為最新發布的Mate30也是如此。這主要是因為指紋識別技術已相對成熟,具有安全性高、識別速度快、識別成功率高等優點,使得指紋識別技術已經被廣泛應用於智能終端中。同時,具有較高的屏佔比的智能終端正逐漸成為市場上的主流產品。
為了在保證較高屏佔比的同時,兼顧習慣於前置指紋識別用户的使用習慣,屏下指紋檢測技術提供了一種解決方案,即將指紋檢測(FP)模組通過面貼或框貼的方式貼合在顯示屏幕的下方。但是對於傳統的屏下指紋設計,在環境光強烈時,人眼能夠觀察到FP模組位置的呈現紫紅色,與顯示屏幕的其他位置有明顯色差,影響終端的美觀性。
為了解決上述問題,華為公司申請了一項名為“一種屏下指紋識別終端”的發明專利(申請號:201880004449.1),申請人為華為技術有限公司。

圖1
圖1是終端中顯示屏與指紋模組的結構示意圖,主要包括顯示屏41、阻光材料層42以及指紋模組43這三個部分。其中,阻光材料層42設置於顯示屏41和指紋模組43之間,並且設置於顯示屏的非顯示面,主要用來阻止入射到指紋模組43被反射出來的光線再經顯示屏41出射。目前終端中常見的屏下或屏內指紋識別器件主要為基於光學的指紋模組和基於超聲波的指紋模組。
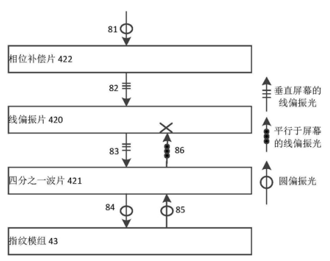
下面主要針對基於光學的指紋模組進行介紹,當該模組採用此結構設計時,阻光材料層42將阻擋大部分光線照射到指紋模組上,則指紋模組可能無法採集到指紋。為了保證指紋模組的性能不受影響並同時降低用户對指紋模組的視覺感知,阻光材料層42中又加入了線偏振片420、四分之一波片421以及相位補償片422。
線偏振片420僅允許振動面為特定方向的光線透過線偏振片420,而振動方向為其他方向的光線則無法透過線偏振片420。當線偏振光入射到四分之一波片421,且振動方向與四分之一波片光軸夾角為45°時,則從四分之一波片出射的光為圓偏振光;反之,圓偏振光通過四分之一波片後變為線偏振光。
同時,為了使得指紋模組採集到清晰的指紋,即需要有足夠經用户手指反射的光線照射到指紋模組上。所以將相位補償片422設置於線偏振片420與顯示屏41之間,可以對經過顯示屏41後入射到相位補償片422的第一入射光線進行相位補償,使得第一入射光線經過相位補償片422後的第一齣射光線為能夠通過線偏振片420的線偏振光,從而保證有足夠的光線能夠通過線偏振片420進而照射到指紋模組43,使得指紋模組43能夠採集到有效的指紋信息。

圖2
通常入射光一般為通常為圓偏振光或者是橢圓偏振光(如上圖所示),若圓偏振光或橢圓偏振光直接入射到線偏振片上,則僅有少量光線能夠通過。由於添加了相位補償片422對經過顯示屏41後的光線81進行相位補償,使得經過相位補償的後的光線能夠順利通過線偏振片420,保證了足夠的照射到指紋模組上,不會影響指紋模組的性能;此外,被指紋模組表面反射的光線由於再次通過四分之一波片421,變為線偏振光,但振動方向旋轉了90°因此無法再次通過線偏振片420。實現了阻止經指紋模組的反射後的光線再經過顯示屏射出,避免用户觀察到指紋模組所在位置與顯示屏其他位置的顏色差異,提高終端的美觀性。
因此,當我們使用具備此設計的手機,並受到強烈光照時,它會減少透過顯示屏並經指紋模組的反射後再射出的光線,從而使得用户不會觀察到指紋模組所在位置與顯示屏其他位置的顏色差異,不僅提高了終端的美觀性,而且還為用户帶來較好的用户體驗。