中國機場數字化轉型的現實難題(二)機場數字化的「對內」和「對外」_風聞
李及李-李及李数据分析公司创始人-数据驱动,分析导向, 为航空和汽车竭尽全力。2022-12-13 09:58
文丨李瀚明
前幾天發完第一篇文章以後,有乙方向我提了一些問題。其中一個問題很有意思:「能不能告訴我們一些機場某某(反正各種各樣)領域的數字化最佳實踐?」這個問題其實算是上一個「對內」、「對外」問題的一個延伸——我們需要討論機場數字化行業的特點。
**即使是在筆者作為專家任職過的日本、美國以及歐洲,機場數字化也有大量的不同路徑。**正如中國的俗話「橘生淮南則為橘,生於淮北則為枳」一樣,如果將所謂的「最佳實踐」生搬硬套「對標」到國內機場上,可能會出現非常嚴重的後果。上一篇中我們提及的丹佛機場就是一個例子——將原先在「一個航站樓」的系統對標到「整個機場」,最後很可能帶來災難性的後果。
**因此,筆者的觀點一直是「不存在所謂的那種可以『放之四海而皆準』的『最佳實踐』」——雖然每個乙方都希望有這樣的「最佳實踐」供其發揮規模效應,但各個機場始終需要明顯的定製化。**我們接下來將對比幾個機場來闡述這個問題。
**機場之間的典型差異是機場的客户的多樣性。**例如,儘管美國前十大機場都屬於“大型機場”,但是其客户結構的不同也使得在數字化轉型的時候所需要面臨的挑戰不同。


我們可以看到分為幾種不同的模式:
**第一種模式是單一航空公司佔據絕對多數的模式(例如達美航空的總部亞特蘭大ATL和美國航空的總部達拉斯DFW)。這兩個機場的數字化轉型不可能和樞紐航空公司分開——甚至大部分的時候都是由樞紐航空公司主導。**例如,亞特蘭大機場將自身的管理分為三個部分:跑道等飛行區按法律只能由FAA管理;機坪及航站樓交由一個由六家航空公司(American、Delta、Frontier、Spirit、Southwest、United)按航班比例入股的「航站樓公司」Atlanta Airlines Terminal Company負責;而其它一般事務性工作則由亞特蘭大市政府設置航空局(Department of Aviation)批出經營特許權(Concessions)給承包商負責。因此,亞特蘭大機場的數字化(尤其是在機場運行上的數字化)在事實上由達美航空這個最大承運人接手了——由於AATC這家航站樓和機坪運行公司的CEO(原達美企業地產總監David Hamm)和三位副總(財務副總Linda Dean出身達美財務系統、商管副總Stephen Maceyko出身達美客服系統、運行副總Bryan Reiter出身達美運行系統)都由在亞特蘭大機場份額最大的達美航空派人擔任,達美航空在實際上獲得了亞特蘭大機場運行控制領域的主導權,只需要按行業慣例為其它公司提供基礎服務即可。
第二種模式是兩家航空公司佔據絕對多數的模式(例如聯合航空的總部、美國航空的次要樞紐芝加哥ORD**)。這種機場的數字化轉型一般採取分而治之的形式——幾家樞紐航司各自負責一部分,再由一家獨立的公司負責其它航司。**例如,United負責管理ORD的Terminal 1和Terminal 2、American負責管理Terminal 3、芝加哥市自己管理Terminal 5——而附近的機坪當然也一併交給各公司負責。
**第三種模式就是沒有一個人佔多數的模式——在這種模式下,按照航站樓佈局又有幾種不同做法。**當航站樓比較多的時候,方法會變化為第二種模式:紐約肯尼迪是典型的例子。例如,紐約肯尼迪的六個航站樓每個都由不同的運營商負責——Terminal 1為由Air France、Japan Airlines、Korean Air 和Lufthansa合資組建的Terminal One Group Association控制;Terminal 2為Delta控制;Terminal 4為由Schiphol(阿姆斯特丹AMS機場的管理公司)和Delta合資的JFK International Air Terminal, LLC控制;Terminal 5由JetBlue控制;Terminal 7由JetBlue、RXR Realty、和Vantage Airport Group控制;Terminal 8由American控制。而在航站樓比較少的場合,則一般由一家公司整體負責,為所有航空公司提供基礎服務。
事實上讓我們回到國內。中國國內有少數機場可以使用第一、第二種模式——例如北京大興啓用後的北京首都可以使用第一種模式,由國航擔任整個機場的主運營人;廣州白雲可以使用第二種模式,由南航擔任Terminal 2的主運營人;而其它機場只能使用第三種模式——而且是在航站樓少的時候,由機場整體管理的模式。這就註定了中國機場的數字化必然需要機場承擔極重的責任。
讓我們回到本來要討論的問題——「對內」和「對外」上。
**雖然每個機場有不同的數字化轉型實施路徑,但最為重要,幾乎為每一個機場所需要的模塊是良好的業務流程基礎。**只有先將業務流程及其附帶的檢查單(“做什麼”)充分數字化為結構化的數據,我們才能夠通過人工智能或運籌學等先進技術改進某一特定業務流程,實現效率提升(“怎麼做”)。
目前國內機場在運行控制領域的核心推薦管理架構是民航局機場司基於歐洲EuroControl經驗提出的機場協同決策系統(Airport Collaborative Decision-Making System,A-CDM**)。**根據MH/T 6125—2022《機場協同決策系統技術規範》,機場協同決策是指由機場協同決策參與方和利益相關方共同參與,以信息共享為基礎,以協同運行為紐帶,形成各方共同決策的機制,通過優化地面資源配置、管控運行保障節點、完善協同放行排序來實現機場運行效率的提升。其中,機場協同決策參與方(以下簡稱“參與方”)為機場、航空公司和空中交通管制單位;機場協同決策利益相關方(以下簡稱“利益相關方”)為民航運行管理機構、地面保障單位和大型機場運行協調機制(運管委)(以下簡稱“運管委”)。
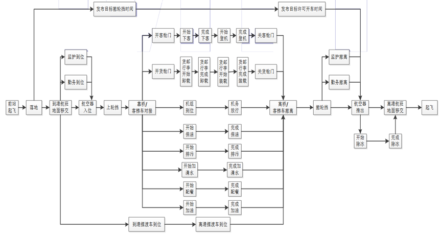
**我們可以看到的是,機場在運行控制(AOC領域)的數字化至少應該實施完整的A-CDM機制(這是以後一切數字化、智能化實踐的基礎)。**例如,在MH/T 6125—2022《機場協同決策系統技術規範》中提出了“地面保障里程碑”的概念,指代從航班起飛到落地,完成過站到再次起飛,期間涉及的45個地面保障節點。

我們可以看到,對於每一次航班過站這個“總任務”,這四十五個地面保障節點都能構成一部分“子任務”——例如,保潔、排污、加清水、配餐、加油、卸載行李、裝載行李、下客、登機、除冰、輪擋、監護、勤務等都構成“子任務”。
我們可以看到的是,每一個子任務都構成一個獨立的5W1H:
首先的條件是“Whether**”——航班是否需要這個子任務。**例如,有些航班無需配餐,自然也就不需要這個子任務,可以直接跳過。航班是否需要子任務不僅影響子任務本身的進行與否,也影響航班總體過站時各個任務的時間分配:例如,如果某航班需要加油,則加油時間按照法律規定一般不可進行其它任務。
接下來的任務是“What**”——具體的任務內容。**例如,完成配餐任務需要進一步的一些子流程——例如配餐車需要從配餐公司裝載配好的餐食、沿機場內開到飛機下、裝餐、卸垃圾、再開回配餐公司。對於What的優化主要集中在下層系統本級內部。
之後還有“When**”——對上級任務而言本級任務的關鍵時間節點。**例如,對於配餐任務而言,“配餐車進入飛機機位紅線範圍內”和“配餐車離開飛機機位紅線範圍內”屬於典型的關鍵時間節點。When的長度一般由What所牽涉的下級系統決定,本級系統一般只能決定其開始時間。
之後是Where和How。Where作為作業位置通常就是登機口。**對Where的優化比較典型的就是登機口分配。**How則涉及到路徑規劃——飛機和地面車輛如何到達Where指明的作業位置。
然後是Who**——作業執行人和資源。對Who****的管理主要就是排班和任務分配:包括了作業人員的排班和作業設備的排班。**在排班系統上有很多案例,此不贅述。
**我們可以看到的是,每個過站任務可以被拆分成多個子任務,每個子任務的5W1H****都具有優化點。**而每個子任務又可以再拆分為多個子任務(例如配餐拆成裝餐、運餐和卸餐),各自又有各自的5W1H。因此,通過最開始的A-CDM建設,我們就可以將機場運行控制所涉及的各業務流程梳理為多個獨立的模塊——而每個模塊又可以單獨被梳理為多個更獨立的模塊。
換言之,機場數字化的核心在於“拆分——改革——合併”的流程。通過將業務流程拆分到點,我們可以逐一理清業務流程中所存在的可以通過數字化改革優化、提升效率的地方;通過對某一具體流程進行數字化改革,我們可以在該流程內部形成數字化工作流;最終我們將數字化的工作流再合併,就完成了整體機場的數字化改革。
**我在之前提到,沒有兩個機場的數字化轉型之路是相同的——但是這種分而治之的思路,卻可以在不同機場的案例中重複使用。**換言之,不是看重某一機場的最佳實踐這條“魚”,而是看中這些機場在實踐數字化時的方法論的“漁”,才是更適合國內機場數字化的發展路徑。