二戰襲擊北美的日本氣球炸彈(第4/4章)紙氣球的細節考證_風聞
微信公众号_战争机器-02-10 14:22
氣球炸彈作為一種軍事武器的最大弱點是它無法被控制。
氣球作戰是一個有趣的實驗,但它是一個軍事失敗。

日本紙質炸彈氣球的總體佈局。
A型紙氣球的詳細描述
蒙皮層
該氣球是一個真正的球體,周長約32米,直徑10米,重約69公斤19。充氣時,其體積接近540立方米。
蒙皮由紙質部分構成,蒙皮層數從38到64不等。紙的顏色從淡青色到黃白色不等,最後的紋理類似於清漆紙。在袋子底部的一個圓形開口上有一個泄壓閥。一個扇形的導管裙或帶子環繞着,離底部約60,在兩點之間的中間位置有0.56米寬。兩點相距1.2米或1.5米。裙邊上有一根連續的繩索,在每個扇貝點上都有突出的部分,形成環狀,將護罩系在上面。
信封的材料由四層薄而長的纖維紙組成,用海芋(一種常見的馬鈴薯類蔬菜)製成的水纖維素粘合劑粘合在一起。當做成糊狀或準備食用時,它被稱為魔芋泥。它可溶於水,按1份粘合劑和32份水的重量比例組成。各層紙是通過手工或機器進行層壓的。機器方法雖然比較便宜,但產生的產品較差。通過保持在70°C的乾燥器,在大約30分鐘內將層壓的紙片烘乾。然後將材料浸在蘇打灰的清潔溶液中,在水中清洗,乾燥,並浸在甘油溶液中以增加柔韌性。這是必要的,以防止蒙皮在高空的嚴寒中開裂和變硬。
氣球的每一半的切割圖案被縫合在一個格子上。隨後是組裝球體的兩半,並安裝氣球的其餘部分。
然後在氣球的整個表面塗上由日本塗料公司生產的防水漆,其成分按重量計算如下。
硝化纖維素百分比 10
磷酸三苯酯 5
鄰苯二甲酸二丁酯 5
苯酚 25
乙酸丁酯 10
乙酸乙酯 15
丙酮 10
丁醇 20
每個氣球都經過壓力測試,達到178毫米水柱,以便驗收。大約10%的手工氣球沒有達到這些要求。對於機器製造的紙張,這個比例甚至更大,因為從製造和生產的角度來看,這是一個新的過程。據説,一個驗收失敗的氣球在充滿氣體時(50毫米水柱的超壓),在20分鐘內失去足夠的氣體,使壓力減少23毫米水柱。

用於切割、粘貼和組裝氣球蒙皮的佈局。
美國測試的結果
對用於蒙皮紙的測試
長纖維紙具有很高的強度,而水纖維素提供了足夠的氣體抗滲性。
纖維素降解為水纖維素的過程中,氣球材料總重量的20%是水溶性的。當潮濕時,材料的重量增加了67%。
乾燥時材料的抗拉強度為每釐米122公斤,潮濕時為每釐米66公斤。厚度從0.19毫米到0.23毫米不等。每層的重量約為每平方米為12.9克。氣球充氣到每平方米44公斤的壓力時,將處於每線釐米1公斤的蒙皮張力之下。懸掛在護罩線上的450公斤重物將沿着裙邊與外殼的交界處增加每釐米1.8公斤的額外張力。因此,氣球有足夠的強度來承受每平方米44公斤的內部壓力和450公斤的負載。
蒙皮材料的氫氣滲透率是每天每平方米0.98升。這大約是當時使用的普通橡膠氣球織物的滲透率的十分之一。氣球的損失率大約為每天0.28立方米,因此在一週內,由於擴散的原因,升力沒有明顯下降。氫氣滲透性是在一個440平方釐米的樣品上測定的,一邊是一個大氣壓的氫氣,另一邊是一個大氣壓的空氣。空氣被抽過蒙皮,並通過分析確定其氫氣含量。在氫氣一側使用28克的過剩壓力重複實驗,得到了相同的滲透率。

氣體釋放閥粘在氣球底部的位置。這個氣球於1945年1月21日在加拿大阿爾伯塔省的聖十字縣附近被找到。
泄壓閥
泄壓閥座是衝壓件,1毫米厚的鋼板,由一個495毫米直徑的圓柱形部分組成,用水泥固定在氣球的底部。在圓柱形部分下面,閥座向內翻轉,然後向下形成第二個圓柱形部分,直徑為400毫米,高25毫米。閥門是一個直徑為430毫米的壓制鋼盤,上面覆蓋着一個薄的橡膠墊,在調整張力的情況下,由一個壓縮的螺旋彈簧壓在閥座上。螺旋彈簧由一個軸向螺栓引導,通過閥門滑入一個套筒,套筒被支撐在三個鋼臂上,延伸到閥座的法蘭部分,並在那裏用螺栓固定。
當氣體在高空的低壓下膨脹到每平方米44公斤的數值時,這個閥門允許氣體從氣球中排出。因此,氣球的最大高度能夠被限制。
每個閥門都標有大的油漆數字。至少有兩種相同類型的閥門,但在結構上略有不同,被使用。早期的氣閥是冠狀的,以增加硬度,而後來的氣閥只是由平坦的金屬帶構成。

泄氣閥直徑為495毫米,是用彈簧來承受每平方英寸一盎司的氣體壓力。這個標有粉筆號碼 “93 “的閥門於1944年12月23日在阿拉斯加的馬歇爾被找到。
護罩
15米的護罩線是三股馬尼拉繩,周長25毫米。有19條這樣的繩子在下端打了一個雙結聚集在一起。一個小的梨形鋼環被系在下部的結上。每條線在距離上端約1.5米處,通過拼接成兩條線而產生分支。在每個上端都有一個鋼鈎,用於連接到氣球的裙邊。
引信
啓動引信
兩根長32%的保險絲被用來在氣球發射時激活高度控制裝置的電路。燃燒時間約為54分鐘。這些保險絲纏繞在儀器的金屬框架上,並在上部金屬環的兩個插頭中終止。這些熔斷器中的任何一個都會完成高度控制裝置的第一個電路動作。
閃光彈引信
一條19.5米長的導火索從儀器下部金屬環的底部一直延伸到氣球側面的點火裝置,即閃光彈。燃燒時間為82分鐘。
爆破裝置引信
一條660毫米的導火線從儀器下部金屬環的底部延伸到儀器頂部的爆破裝置上。

飛行控制、支桿減震器和支桿與氣球的連接。
閃光彈
燒燬氣球的閃光彈或點火藥被附在氣球的水平最大直徑處和導管裙邊或帶子之間。它由250克鎂質閃光粉組成,裝在一個50毫米寬、120毫米長的紙質容器中。它被粘在氣球上。它的目的是在任務結束後煤毀氣球。在行動的後期,這種閃光藥被從氣球上刪除。原因還沒有得到確切的確定,但據推測,在飛行結束時保持氣球完好無損,有更大的機會讓媒體報道它的到來。

定時保險絲。

保險絲端接頭。

雖然在使用過程中被損壞,但這個控制架於1944年12月23日在阿拉斯加的馬歇爾縣附近被找到。注意環繞框架的引信。

爆破裝置,顯示錫制容器和1公斤的紙包裝的苦味酸炸藥。側面和末端的孔是用來裝引信的。
減震器
一根560毫米的橡膠繩,兩端都有棉質的小孔,有時被用作減震器或蹦極繩,用於將儀器懸掛在護罩上。八股9.5毫米的馬尼拉繩被打結在兩個小孔上,形成一個姊妹繩,以限制橡膠繩的伸長。在上端,姊妹繩形成了一個環,攜帶兩個開放的鋼環,通過系在護罩線下端的梨形環固定。在底端,姊繩在下端打了個結,然後分成四條懸掛繩,每條繩有兩股。懸掛繩穿過儀器金屬框架頂部的四個螺栓中的每一個孔,繩索通過結回到頂部的環中,使妹繩具有八股的強度。實測的負載測試表明,減震器對於超過68公斤的負載是無效的。有些氣球沒有這個懸掛,但這並沒有改變懸掛組件的其餘部分。

附着在封套側面的點火藥和通往封套的導火線的特寫。左上角是連接到導管帶的護罩線。
自動高度控制裝置
一個大約一英尺見方的四柱金屬框架被懸掛在彈弓的下端。在框架的中心,有一個電木甲板或面板,支撐着一個裝有四個氣壓承包商的盒子。在這個盒子的頂部,有一個濕式酸電池和一個標準的日本爆破塊。栓在框架底部的是一個鑄鋁的四輪輻條,直徑約610毫米,厚1%,包含一個由氣壓承包商或航空器啓動的保險絲和黑火藥系統。這些裝置被設計成一旦被炸燬,就會釋放掛在輪子外圍的沙袋或其他物體。
就在這個輪子的上方並與之平行的是一個直徑較小的鋁環,裏面有用於放置引信的另一端的孔,以及同樣數量的彈簧張力開關。

釋放和控制框架。
功能
自動高度控制裝置有兩個功能。(a)控制高度下限,和(b)釋放氣球攜帶的一個或多個物體,然後摧毀氣球和設備。這些目的將通過氣壓計(高度計)元件的操作來實現,這些元件預設為所需的操作高度,造成壓載增量的操作。
這種類型的氣體填充氣球在白天可以上升到最大高度,此時袋子裏的氣體被太陽加熱。在夜間,氣體冷卻和收縮,氣球失去高度。為了延長這些氣球的飛行時間,提供了一個壓載物投放機制,這樣,每當氣球下降到預定的最低高度時,就會投放一個或多個 “壓載物 “,從而使氣球再次上升。壓載物是掛在設備底部的大金屬環外圍的沙袋。在某些情況下,燃燒彈和爆炸彈被掛在同一個釋放和控制框架中,這表明壓載物可能有雙重用途。
該機制最初是在氣球升到高空後啓動的,當時激活的引信在釋放時被點燃,燃燒到儀器的上部金屬環,導致兩個小塞子被吹出,釋放出兩個彈簧觸點。這就完成了儀器的電路,但位於氣壓計的開關觸點除外。
四個氣壓計中的三個是相互並聯的。第四個是一個單獨的電路的一部分。並聯的三個被安排成這樣,當達到預定的最低高度時,這三個中的任何一個都可以進行接觸,完成電路。其中一個航空器的結構比其他的更仔細,被認為是主要的控制元件,另外兩個是在主要元件失效時提供的。當這個電路完成後,位於大金屬環圓周上的兩個插頭被炸燬,導致它們所支持的釋放和控制框架掉落。

裝有航空器的箱蓋被取下,以便觀察控制裝置。
這個噴發過程也點燃了兩個壓敏電阻,作為大約兩分鐘的時間延遲,使氣球在下一組塞子點燃前獲得高度。下一組插頭的點火--在上層金屬接觸環的另一側--關閉了彈簧操作的開關,這再次完成了設備的電路,除了在測高儀上的接觸。如果在這個時候,由於氣球未能充分上升,指針仍然處於關閉狀態,那麼位於大金屬環上的另一對吹氣塞就會被吹掉,並重復這一過程。這個投擲物體的過程繼續進行,從大金屬環的一邊交替投擲到另一邊,直到氣球達到足夠的高度,導致測高儀的觸點打開,從而斷開電路。當氣球后來下降到最低高度時,更多的壓載物體以同樣的方式被拋下。
當上層接觸環上的第九組吹氣塞被點燃時,連接到第四個航空器上的另一個電路被激活。此後,這個電路在第四個指針關閉的任何時候都會完成,吹滅大金屬環下的插頭,並點燃儀器頂部的爆破藥的引信。
人們注意到,在上層接觸環上的第九組塞子被點燃後,只要第四個測壓儀關閉其觸點,大環下面的兩個吹氣塞子所懸掛的任何物體都會被釋放。另外,在大金屬環圓周上的所有壓載物被扔下之前,機械裝置將在此時被銷燬,但在整個過程完成之前,封套不能被銷燬。這種安排的原因還沒有確定。

裝在一個木盒子中的釋放裝置的主要控制單元。

壓載物釋放控制裝置的底視圖。壓載沙袋安裝在外環上,而主炸彈則由中央卸扣支撐。
部件描述
小型氣壓計。氣壓計的壓力元件包括一個小的、扁平的、圓形的外殼,由薄的、有彈性的金屬--主要是黃銅--在頂部和底部有同心的波紋構成。這個壓力元件隨着空氣壓力的增加而逐漸塌陷,並隨着壓力的降低而恢復到原來的尺寸。為了使這一裝置能夠控制井噴塞的發射,提供了電路觸點,以便在氣球殼體塌陷時進行接觸。一根電線被固定在一個可移動的杆上,壓力元件被安裝在上面。另一根導線連接到一根直的電線上,這根直的電線在壓力元件上伸出來。連接在壓力元件頂部的一小圈電線環繞着這根直的接觸線,並與之接觸,完成了電路;在這一點上,空氣壓力的增加使箱子倒塌。該元件可通過一個拇指螺絲升高或降低活動杆來調節。
中央氣壓計
這種指針式氣壓計的操作原理與小型指針式氣壓計的操作原理相同。然而,在這種儀器中,兩個壓力元件被串聯使用,以允許更精確的調整。它被用作主要的控制單元,並與兩個較小的氣壓計平行連接。

控制板上的蓋子被取下。這些裝置在預先設定的最低高度關閉電路,以釋放和控制框架。

裝有蓋子的控制板。帶有三角標誌的蓋子包含最初激活機械裝置的電路。

初次啓動機制時,固定高度的安培儀。

主指針。注意調節螺絲。

在氣球最初上升到1800米到4900米之前,這個在裝置上標有三角形的測高儀使高度控制裝置無法工作。這也是為了防止不慎釋放炸藥而採取的安全措施。

爆破螺栓。

爆破螺栓和連接熔斷器。

爆破螺栓,分段式。

裝填的黑火藥。

主炸彈的釋放鎖。當電擊發點燃防爆塞(如圖所示已安裝)時,保險絲也被點燃,其中一個是用於摧毀裝置的炸藥,另一個是用於燒燬氣球的炸藥。

主電源是一個單電池、七板、2.3伏的鉛酸蓄電池。

雙層壁的賽璐珞電池盒的三個主要部分。壁板之間的不凍液有助於控制最低温度,使電池持續輸出。

電池盒由透明賽璐珞製成,以充分利用太陽輻射熱,幫助維持電池壽命。

32個沙袋構成了氣球高度控制的壓載物。單個重量約為3.2公斤。

掛在日本氣球吊艙上的炸彈載荷和全部壓艙物。爆炸的炸藥塞釋放沙袋。循環往復,最後釋放出左邊的兩個燃燒彈和掛在中間的15公斤殺傷人員炸彈。
1945年3月13日拍攝的現場、氣球回收照片。

發現掛在柵欄上的氣球和裝置

裝置,顯示尚未燒燬的保險絲數量

附有沙袋的吊籃特寫

在離氣球20多米處發現燃燒彈

卡在柵欄上的裝置

設備頂部顯示的是無動力控制板

1945年繪製的詳細的裝置圖顯示了壓艙物和炸彈投擲裝置的工作原理。

自動高度控制裝置。
大金屬環
大金屬環的目的是將壓艙物懸掛在其外圍,並從其底部的中心懸掛另一個物體。它的外圍有72個等距的水平孔,從外面裝上防爆塞,從其中70個孔裏伸出保險絲。該系列中的最後一對孔不需要保險絲。環上有五根鋼製的佈防線;四根在外圍,一根在中央位置。這些都是與經常懸掛在環上的炸彈有關,作為雙重用途的鎮流器。
在大金屬環的頂部連接着三個纖維環,由兩排電氣插孔隔開,每排有72個插孔。下面一排插座是共用的,而上面一排是成對的。這種安排使得大金屬環中的兩個插頭可以同時被吹響。
位於上排的每對插孔內部的一根導線被連接到電木板上的兩個相應連接處。來自下排插孔的一根導線共同連接到三個並聯的安培儀上,而來自這排插孔的另一根導線連接到位於大金屬環下中央的插頭上。
上下兩排每個插孔外面的一條導線進入大金屬環上相應的防爆插頭,以完成該部分的電路。
大金屬環大概是由鋁或輕型白梅合金製成。四根呈90°角的輻條,加上垂直位置的四根金屬懸掛杆,構成了支持位於環上方的額外裝置的基礎。
防噴塞。位於大金屬環圓周上的70個噴氣塞是小金屬圓柱體,緊緊地安裝在提供的孔中。塞子裏裝有黑火藥。當每個塞子的電路完成後,火藥被點燃並爆炸,炸燬塞子,導致塞子上懸掛的壓艙物被釋放並掉落。這次爆炸還從纖維環的插孔中拔出相應的小電插頭,並打開了電路。爆炸還點燃了連接在爆炸插頭內側的保險絲。這條保險絲導致了上面的接觸器環上的另一個爆炸插頭。大金屬環底部的防爆插頭以類似電木板的方式運作。觸點夾是成對連接的,即使有一個電路發生故障,也可以操作。
電木板的觸點。緊挨着這個開關環的是一個圓形的電木板,每個開關都有一個觸點。電木板上的每條單線都從相鄰的垂直框架杆上引下,並連接到大金屬環正上方的纖維環中並聯的一對插孔上。每個開關的底部都與電池共線。從電池出來的另一條線經過安培控制裝置,並通過一根公共電線回到下面大金屬環中的垂線插頭。因此,每個開關或一對開關都啓動了一個下降電路,當安培儀觸點關閉時,就會啓動一對下降插頭。
電池。提供電流以啓動各種吹氣塞的電池位於一個安裝在控制機構頂部的大型透明容器中。該容器由透明塑料材料製成,雙層壁,內壁和外壁之間有大約一英寸的空氣空間,以使電池不受高海拔地區的寒冷影響,並在飛行期間通過陽光加熱獲得更多的效果。
該電池是一種小型的濕電池,有五塊板,尺寸為64毫米×76毫米×32毫米。它被填充了10%的氯化鈣溶液。這種溶液傾向於將電池保持在0°和20°C之間,直到溶液在極端高空凍結成固體。
美國技術報告中的這一描述在一定程度上與日本報告中的防凍電池開發方案不同。他們描述的最終結果是一個帶有硫酸的液體電池。每個電池通過在四面覆蓋一層不凍結的液體來防止凍住,並放在一個隔熱的賽璐珞製成的雙層箱子裏。
壓艙物
平均而言,氣球的壓艙物包括32個裝滿沙子的紙袋,以及一些炸彈。沙袋是由與氣球相同的材料製成,通常用麻繩捆綁。填充的袋子重量從1.4公斤到3.2公斤不等,總的壓艙物重量約為70公斤。袋子和炸彈都由 “T “形吊耳懸掛,吊耳插入大金屬環底部的槽中,吊耳的每一翼都靠在環中的一個爆破螺栓上。當其中一個爆破螺栓被炸燬時,炸彈在重力作用下從槽中掉落。
自毀炸藥
為破壞機械裝置而攜帶的自毀炸藥是一塊1公斤重的苦味酸,用蠟紙包裹,密封在一個64毫米×76毫米×152毫米的鍍錫盒子裏。與機械裝置相連的是一條短的安全引信,上面固定着一個非電擊發的爆破螺栓,插在其中一個爆破藥中。
B型橡膠絲綢氣球
這種源自海軍的氣球是由塗有膠質的哈布泰斯蒙皮組成的。四層形成球體的上半部分,三層形成下半部分。設計的幾何形狀與A型氣球相似,但直徑要小一米。每個連接部分都有40毫米的縫隙縫在一起,用棉帶密封。在對氣球進行充氣和測試後,用濃縮的苯甲醇膠密封泄漏處。[額定抗拉強度為每平方釐米4.7公斤。] [美國對回收的B型氣球進行的測試結果] 這些絲綢上的塗層使氣球具有深灰色,類似橡膠的外觀。
這種氣球還帶有一個自動壓載釋放系統,以補償固有的氣體泄漏,儘管它不像A型氣球系統那樣複雜。該裝置攜帶了14個壓載沙袋,通常在四個下降週期後消耗掉,這些沙袋由四個測高儀和一個簡單的釋放系統檢測。
軍事機構和工業界都製造了A型氣球,而B型的橡膠絲氣球只由私營企業製造。顯然,這種結構更耐用的氣球沒有遇到嚴重的生產問題。
兩種類型氣球的物理和性能特點


雖然外觀複雜,但高度控制系統的工作原理卻非常簡單。時間燃燒的熔斷器環繞着裝有安培儀的盒子,它支撐着上面的電池盒。

含有用於釋放沙子壓載物和炸彈的爆破塞的編號孔被設計成成對運行。任何一個失敗都不會妨礙釋放的順序或定時機制。

紙質氣球的高度控制裝置示意圖。
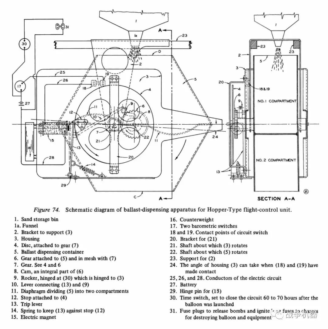
漏斗型飛行控制裝置
日本人開發了另一種壓載物投擲裝置,用於高度控制。這就是霍普型,但只用在A型氣球上,而且數量很少。這個系統和第一個系統一樣獨特,因此值得記錄。
它由兩個主要部分組成:一個能承載120公斤沙子壓艙物的漏斗底部儲存箱和一個計量裝置,以2.5公斤到3公斤的增量釋放壓艙物。當氣球下降到相當於氣壓上升700毫米水柱的距離時,氣壓開關關閉,一個電路因此啓動了壓載物計量裝置。這反過來又以兩到三分鐘的間隔釋放壓載物增量,直到氣球再次上升到足以打開電路為止。

漏斗式飛行控制裝置的壓載物分配裝置示意圖。
計量裝置
計量裝置的原理圖。旋轉的容器(5)用於在需要時分配小量的鎮流器。一個隔板(11)將容器分成兩個隔間,每個隔間可容納5.5到6.5磅的沙子。齒輪(6)、凸輪(8)和軸(22)是容器的組成部分,整個子組件在外殼(3)中順時針旋轉。容器(5)是空的,外殼(3)和組件承擔了圖中所示的位置。這是由一個配重(16)和殼體(3)與框架(2)之間的止動器完成的。該裝置的重心位於軸(21)的左側;然而,當容器(5)從料斗中裝滿沙子時,上述部件的重心移動到軸(21)的右側,導致外殼(3)和與其相連的部件傾斜並形成一個角度(24),反過來,關閉開關點(18和19)之間的觸點。這些開關點也起到了停止作用,限制了角度(24)。裝滿沙子的容器(5)的重心位於軸(22)的右側。擋板(12)與行程杆(13)的齧合防止了容器的旋轉,前者與圓盤(4)和齒輪(7)和(6)積極齧合。現在,沙子的容器已經準備好被傾倒了。
元件(17)由兩個串聯的開關組成,其中一個(17a)保持電路開放,直到氣球達到高於投擲壓艙物的高度。當它關閉時,它在飛行過程中一直鎖定在這個位置。另一個開關(17b)在氣球下降到低於氣球的壓力高度或穩定飛行的高度,相當於氣壓增加700毫米的距離時,關閉電路。
假設氣球正在下降,開關(17b)關閉電路。在這一瞬間,由電池(27)通電的磁鐵(15)迫使跳閘杆(13)到指定位置。圓盤(4)與齒輪(7)相連,與齒輪(6)齧合,可以自由旋轉,使容器(5)旋轉180°,將裏面的東西作為壓艙物傾倒。在這個操作過程中,圓盤旋轉360°,外殼(3)傾斜到中性位置,打開開關點(18)和(19)的電路,跳閘杆(13)回到正常位置,用止動器(12)和凸輪(8)鎖定容器。需要兩到三分鐘來重新填充容器。一旦發生這種情況,外殼(3)就會傾斜到一個角度(24),關閉開關點(18和19)。 '
如果開關(17b)仍然關閉,則傾倒第二個增量的鎮流器。這個操作一直持續到氣球上升到一個足以打開氣壓開關(17b)的高度。一個時間開關(31),在發射後60至70小時關閉了通往引信插頭(32)的電路,點燃了通往炸藥的長引信,以摧毀設備並燒燬氣球。
有效載荷彈藥
據報道,有兩種類型的燃燒彈和一種類型的高爆彈被作為氣球有效載荷攜帶。有關這些炸彈的數據摘自戰後發行的美國空軍T/O 39B-1 A-l 1,日本爆破彈,GPO 1953。這與行動進行中的氣球炸彈報告中公佈的信息有一些細微的差別。
5公斤:鋁熱劑燃燒彈
引信:機械擊發式尾部引信
總長度:400毫米
彈體長度:170毫米
彈體直徑:94毫米
彈壁厚度:3.2毫米
彈壁材料:焊接鋼管
懸掛方式:水平式
懸掛片:19毫米的鋼帶通過螺母和螺栓固定在裝置周圍,在鋼帶的延伸部分鑽有7.9毫米的孔,以接受金屬掛鈎
顏色和標記:炸彈主體,黑色或橄欖色
彈尾的長度:230毫米
彈尾寬度:94毫米
彈翼寬度:無
彈尾支柱尺寸:無
彈翼材料:鍍錫的鋼板
填充物的類型:燃燒彈,由一個第一火藥和一個主藥組成
炸彈的總重量:5公斤

5公斤的燃燒彈經常被用在裝置外圍的最後壓艙物投擲位置。

5公斤鋁熱劑燃燒彈。

1945年2月1日,在加利福尼亞州海福克附近發現的一枚26磅燃燒彈的爆炸圖。
彈體的結構
炸彈主體由一根縱向焊接的i/ginch厚的鋼管組成,並在前端由一個3.4英寸厚的鼻塞封閉,鼻塞被焊接到位。一個圓柱形的木塊部分安裝在彈體的後端,用六個沉頭木螺釘固定。該木塊包含了簡單的衝擊引信和彈簧式安全銷,同時也是機體和機尾之間的連接元件。在木塊上縱向鑽有兩個-英寸的通氣孔,相隔180°。保險絲長27英寸,直徑為l3/16英寸。一個管狀的鋁製主體包含一個觸發器和一個蠕變彈簧。一個實心螺紋塞子關閉了後端,一個裝有底火的塞子擰進了前端。一個帶彈簧的安全銷將發射器固定在原位。炸彈體內的燃燒物由第一火藥和主火藥組成,第一火藥緊靠底火,主火藥位於第一火藥下方。第一火藥是一種由鎂、過氧化鋇和硝酸鉀組成的壓縮黑火藥。主裝藥是熱劑。
彈尾的構造
尾翼由一根鍍錫的鋼板管組成,後端封閉,用五個木製螺絲固定在木塊上。炮尾和炮身部分彼此平齊,完全掩蓋了它們所連接的木塊。尾巴上有一個槽,用來接收包含在木塊中的黃銅安全銷外殼。
操作
當炸彈被釋放時,佈防線被抽出,允許彈簧式安全銷飛出,啓動引信。在撞擊時,衝鋒槍壓縮了蠕動彈簧並擊中了引爆器。引爆器的爆炸點燃第一枚火藥和鋁熱劑燃燒彈。
97型12公斤鋁熱劑燃燒彈
燃燒彈
引信:A-2(a)(裝有一個彈倉)
總長度:650毫米
彈體長度:368毫米
彈體直徑:102毫米
彈壁厚度:4.8毫米
彈壁材料:鋼
懸掛方式:水平
懸吊片:普通軍用懸掛片,加上下面描述的簡易懸掛裝置
顏色和標記:整體為黑色,在懸吊片的正前方有一條15毫米的白色條紋
彈尾長:280毫米
彈尾寬:138毫米
彈翼長:56毫米
彈尾支柱:長度98毫米;寬度:9.5毫米;厚度1.6毫米
彈翼材料:1.6毫米軋製鋼
戰鬥部類型:三個鎂質填充的火藥罐;兩個黑火藥填充物
填充物的重量:火藥罐,4.5公斤;黑火藥,310克
炸彈的總重量:12公斤
裝藥/重量比:38%
彈體結構
鑄鋼鼻樑被擰入管狀鋼體中。在彈體上安裝了一個普通的、鉸鏈式的軍用懸掛片和一個額外的懸掛裝置。懸掛裝置由兩條18毫米寬的鋼帶組成,每條鋼帶都由一個螺栓和螺母固定在裝置上。兩條鋼帶由一條12毫米寬的鋼帶焊接在一起。一根6毫米的鋼棒被焊接在鋼帶上,形成一個懸掛軛。一個尾錐被焊接在一個項圈上,該項圈與機體的尾端相吻合,由四個鉚釘固定。
尾部的構造
四個鋼片焊接在尾錐上,由一排箱型支柱支撐着。
操作
引信在飛行中被點燃,在撞擊時,彈倉被點燃,反過來又點燃黑火藥。該炸藥的閃光沿中央通道傳播,點燃火盆中的燃燒物,並點燃尾部的黑火藥。兩個黑火藥裝藥的爆炸力足以剪斷彈體尾部的四個鉚釘,從而使火藥罐掉下。
備註
只有當該炸彈被懸掛在氣球上時,才會發現懸掛的枷鎖。

97式12公斤鋁熱劑燃燒彈
炸彈的結構
鑄鋼彈頭被焊在一個管狀鋼管上。在彈體周圍裝有26個寬19毫米、厚19毫米的鋼環。其中一個連接懸掛片的環是35毫米寬,19毫米厚。一個尾錐被擰在管狀體的後端。
尾翼的構造。四個角狀的鰭被焊接在尾錐上,並由一組箱型支柱支撐着。一個懸掛片被固定在翅片的尾端。

這種15公斤重的殺傷炸彈通常是掛載在釋放機制的中央枷鎖上的主要武器。

92型,15公斤高爆炸彈。
氣球生產
有關兩種類型的氣球生產的相關數據列於下表。所示的成本不包括飛行控制裝置。
1944年5月,開始研究大規模生產紙蒙皮,否則就是手工製作的。在7月底建立了一個臨時的生產流程後,軍隊人員輪流在車間裏進行第一手指導。有些人直到8月才接受這種培訓。到了10月,所有的車間都接受了培訓並在陸軍兵工廠的控制下,被命令開始按照嚴格的生產計劃製造紙氣球。這種情況持續了五個月,於1945年2月結束。1萬個氣球的生產是一項龐大的工程,需要數百萬人。
作為生產的一個例子,兵工廠的巖花工廠在五個月的時間裏完成了大約700個氣球,工廠的400名員工和羣馬縣九所女子中學的學生參與了這項工作。切割和粘貼薄紙片的工作由女性比男性更熟練地完成。

a:戰前的匯率為1美元兑5日元。戰後的匯率穩定在1美元兑15日元。
b : 1944年9月至1945年2月期間製造的20至30個這種氣球是實驗性的,據説已經飛過。二十到三十個製造好的氣球被炸燬。
c : 這些氣球中有8到10個是實驗性的,在1943年10月到1945年10月之間製造。沒有數據顯示它們是否飛過。
d : 這個成本不包括用於氣球面料的絲布,它是由軍隊提供的。
氫氣供應
雖然填充一個氣球所需的氫氣量只有27公斤,但將這種重要的氣體運送到發射地點是一項重大的工作。由於這些固有的困難,這是導致氣球攻勢緩慢展開的原因。
氫氣在發電站被壓縮到150個大氣壓,然後裝入6000個氣瓶中進行運輸。給一個氣球充氣所需的量是300立方米,每個氣球平均使用了約52個氣瓶。這一數量包括在充氣操作過程中因氣球泄漏而損失的數量。由於一個容器的重量略多於60公斤,每個氣球需要運輸3.2噸的金屬容器。
1945年3月,當大約3000個氣球被釋放時,消耗了超過80噸的氫氣。需要數千噸的金屬容器來運輸氫氣。
下表顯示了氣球行動的這一需求的廣度。
在計劃的80噸氫氣中,50噸將被壓縮到97,500個鋼瓶中,並運送到中佐和一宮,而剩下的30噸則通過管道直接輸送到大津的發射台上。考慮到氣瓶的加油問題,將需要20,000個氣瓶;然而,到12月下旬--發射計劃進行了很長時間--只有8,000個氣瓶在手。因此,在11月和12月釋放的氣球數量大大低於計劃的數量。雖然每天釋放150個氣球是三個發射場的綜合計劃,但實際數字是30個左右。
一個空的和裝滿的氫氣罐的快速穿梭系統可以滿足需求,但對鐵路線的頻繁空襲極大地阻礙了氣體的運輸。
在大津的第一營利用了由燒鹼和硅鐵產生的氫氣,其公式如下。
2NaOH + Si + H20 = Na2Si03 + 2H2
這需要2000多噸苛性鈉來放飛4000個氣球。硅鐵的需求量與該公式所要求的比例相同--不是小數目。
火災是一個無處不在的危險,在發射場也不是一個罕見的情況。與氧氣混合的氫氣變得非常易燃,而且在填充氣球時的轉移操作中被加熱時更加危險。附在氣球底部的是一條紙製的、半徑為50釐米的軟管,長度為20至30米,與通往供氣室的橡膠管相連接。這條橡膠管可以在起火的第一時間被迅速壓斷。拿着沙桶的人總是準備好撲滅第一縷火光,而其他人則迅速關閉所有的氣體閥門。堆積如山的燃燒彈和高爆彈、紙質氣球;以及氫氣罐在發射場提供了持續的火災和破壞威脅。
充氣和放飛
日本人用來給A型和B型轟炸氣球充氣和放飛的方法,就所有實際目的而言,都是類似的。下面的討論特別適用於A型(紙)氣球。
通過將19個螺錨插入地面來準備充氣牀。然後在螺錨圈內鋪設氣球,將充氣管連接到充氣附錄上,並將懸掛繩索固定在螺錨的開眼處。充氣設備--包括充氣管和帶有高壓軟管的歧管--與用於攔截氣球的設備相同。一次放空兩個氣瓶。大約需要230毫米的氫氣用於充氣和發射。在釋放之前,大約達到了390公斤的浮力。
從氣球上拆下充氣管後,安裝了氣體閥門。帶眼的長繩穿過懸掛簾子上提供的每個環,鈎在螺旋錨的眼上。然後,懸掛簾被拆除。在這個操作過程中,一名船員在旁邊將氣球固定。在這之後,設備被安裝,氣球被允許上升,直到設備離開地面。檢查了儀器和其他設備,並從氣球上取下一半的長繩。點燃了長導火索,然後將長繩從螺旋錨上解下來,氣球被釋放。船員們緊緊抓住長繩的一端。如果繩索很容易穿過懸掛帶的環,它就會被回收;如果它被纏住,它就會被釋放並被允許與氣球一起上升。這種發射方法只在表面風力較弱時使用。
當風速超過每小時4公里時,就採用另一種放飛方法。氣球的充氣方式與之前描述的相同。沒有使用長繩索來提升氣球以懸掛設備,而是將氣球固定在靠近地面的位置,直到它被放飛。一個放飛沙袋安排被固定在氣球上的交替懸掛點和地面上相應的螺錨上。這些設備被懸掛在一個木製支架的傾斜臂上。
在一個給定的信號下,氣球從螺旋錨上被釋放。它上升了,帶着紙質放飛袋。就在腳下的繩索挑起設備負荷之前,放飛沙袋和錨之間的繩索被繃緊。紙袋上的衝擊載荷足以使紙段分離並釋放出沙子。熱氣球將設備載荷從木質支架的搖臂槽中抬起,並繼續上升。上升是迅速的。每分鐘達到約200米至300米的速度,在大約40分鐘內到達10,000米的水平。

錨定和充氣的轟炸氣球的佈局,以便放飛。

用於在每小時4公里以上的風中放飛轟炸氣球的方法。

氣球上升角度與風速的關係。
氣球的放飛一直持續到1945年4月,特別強調改進飛行控制裝置和生產方法。日本人還沒有完成一個令人滿意的、低成本的、機器製造的、原始的和層壓的紙的開發,用於大規模生產的氣球,這將與手工製造的相同材料相媲美。兩種類型的氣球都沒有出現真正的問題,因此發展將被限制在改進方面。實驗室測試和從飛行測試中獲得的數據表明,需要進一步發展和完善飛行控制裝置,以減少飛行失敗的百分比。
美國本土上的傷亡
報紙和廣播中關於紙質轟炸氣球的嚴格審查阻止了這些重要的情報信息到達日本人手中。它還使許多美國人對這種不尋常的武器可能帶來的危險保持警惕。考慮到炸彈的數量相對較少,炸彈降落的區域是如此之大,個人接觸的可能性相當小。然而,平均法則在1945年5月5日確實失效了,當時一個氣球上的炸彈爆炸,造成6人死亡--在日本人結束氣球攻勢的4周後。
這場悲劇發生在萊克郡內的吉爾哈特山地區,距離俄勒岡州克拉瑪斯瀑布東北部約100公里。俄勒岡州布萊的阿奇-米切爾(Archie Mitchell)牧師和夫人在這一天帶着五個孩子去郊遊。當米切爾牧師先生在移動汽車時,米切爾夫人和孩子們發現一個奇怪的物體躺在樹林裏。他們叫住了僅有10幾米遠的米切爾,他大聲警告,因為他聽到了日本氣球的傳言。幾乎同時,其中一枚炸彈被引爆,殺死了米切爾夫人和孩子們。爆炸產生了一個300毫米深、400毫米寬、900毫米長的彈坑。燃燒彈和爆破塊在爆炸中嚴重受損,但沒有爆炸。
遇難者是 Elsie Mitchell夫人;J.N. Gifford先生和夫人的兒子Jay Gifford,12歲;Einar Engen先生和夫人的兒子Eddie Engen,13歲;J.L. Shoemaker先生和夫人的兒子Sherman Shoemaker,12歲;Frank Patzke先生和夫人的女兒Joan Patzke,11歲,和Dick Patzke,13歲。
事發後迅速聚集起來的林業人員説,受害者似乎都聚集在氣球周圍,一定是有人拉動氣球,足以引爆炸彈。
由於審查制度,關於該事件的唯一宣傳是一個不明物體爆炸,造成6人死亡。
1949年5月,參議院司法委員會批准了眾議院通過的一項法案,向死者家屬支付20,000美元。該法案首先由北達科他州共和黨議員威廉-萊姆克提出,向米切爾夫人的鰥夫支付5,000美元,向每個孩子的父母支付3,000美元。
俄勒岡州共和黨參議員蓋伊-戈登(Guy Gordon)和該措施的其他支持者説,儘管武裝部門知道有幾枚炸彈已經到達這個國家,但公眾並沒有得到關於空投炸彈的危險的警告。
俄勒岡州克拉瑪斯瀑布市的韋爾豪斯公司將這一歷史遺蹟建成了一個愛國主義聖地,稱為米切爾娛樂區。獻禮活動的中心是一座原生石碑,上面有一塊寫有受害者姓名的銅牌。其他發展包括户外壁爐、紀念館的適當標誌,以及圍繞悲劇發生地和紀念碑的保護性鐵柵欄。因此,美國向其戰爭死難者表達了另一種持久的敬意。

俄勒岡州布萊附近有一個米切爾娛樂區,由韋爾豪斯公司(Weyerhaeuser Company)專門用於紀念因日本炸彈氣球爆炸而死在那裏的六名美國人。這場悲劇發生在1945年5月5日,在最後一個氣球漂流後近一個月。被氣球纏住的炸彈的意外觸發造成了這次事故。

米切爾娛樂區成立於1950年8月20日,在美國政府向傷亡人員的近親支付賠償金一年之後。

銅牌上的銘文是:“獻給/1945年5月5日/被/日本/炸彈炸死的人。“美國大陸上唯一一個在二戰期間因日本人轟炸行動而死亡的地方。
美國人的其他看法
只有一小部分炸彈到達北美,這可以歸因於壓載控制機制的故障。據報道,在美國和加拿大找到的相當數量的炸彈投擲裝置中,有很高比例的爆破螺栓仍然在吊籃的外圍位置。這顯然是由於電池或引信的故障造成的。回收結果清楚地表明,氣球可以在壓載物投擲裝置發生嚴重故障後仍然到達目標上空。然而,這些氣球通常有跡象表明,一些壓載沙袋和貨物因接觸到地面或水而被拉走了。在有效載荷被釋放之前,壓載物的投放順序已經停止的氣球沒有被發現是一種威脅。由於在炸彈從攜帶裝置中釋放出來之前不會進行佈防,這些炸彈通常是不會爆炸的,除非它們被不謹慎地處理。
從一些氣球上發現的檢查標籤的翻譯中可以瞭解到很多東西。典型的是1945年3月13日在華盛頓奇馬庫姆發現的那個。該氣球是在相模陸軍兵工廠第二工廠(橫濱西北約15英里)製造的;氣球編號為262;分類為 “102號氣球”;銘文為 “通過一級評級”;製造日期為1945年2月,1945年3月1日被接受。
奇馬庫姆氣球的接受和回收日期之間的13天時間幾乎與蒙大拿州卡利斯佩爾氣球10月31日的接受日期和1944年11月15日的估計降落日期之間的時間相同。他們帶着不同的標籤。
1945年6月12日在加拿大西北地區的海河(Hay River)找到的熱氣球上也發現了一個帶有日本字樣的紙質標籤(登陸日期不詳)。對這個標籤的翻譯顯示,“11號氣球於1945年1月23日在高木工廠製造”。
1945年6月9日,在俄勒岡州Mahogany附近找到的氣球碎片中發現了另一個紙質標籤(登陸日期不詳)。譯文為:"。168號氣球/1945年1月31日/7小時50分/第10中隊。
1945年4月15日,在阿拉斯加貝瑟爾附近回收的沙袋壓艙物中發現了一張日本明信片。這張卡片經過翻譯,似乎是一個小學生寫給他父親的。卡片的寄件人是:信田義治/山形縣木橋郡赤羽町坂井屋旅館八幡台四年級/山形縣。
一宮位於東京東南約60公里,赤羽位於仙台以南約15公里。這兩個地方都靠近可能的壓載砂源。由於卡片上沒有可見的郵戳,所以不可能説這張卡是否被郵寄了。父親地址中使用的秀野 “支隊”,可能與1940年3月指揮氣球團物資庫的秀野單道上尉的名字相同。關於秀野隊長的進一步信息不詳。

氣球炸彈事件地點。美國和墨西哥。

氣球炸彈事件地點。加拿大。

氣球炸彈事件地點。阿拉斯加和阿留申羣島。

氣球炸彈事件地點。夏威夷。