美軍從來沒有“師改旅”!沒有!從來沒有!——2030年,美陸軍師如何作戰_風聞
熊猫儿-2小时前
作者/美國陸軍合成兵種中心
引言
隨着“陸軍2030”兵力設計更新進入資源配置階段,美陸軍圍繞“陸軍2030”部隊,特別是裝甲師,展開了一系列繁忙的活動。
隨着整合近40項並更新了超過30個現代化倡議,美國陸軍正在將其轉變為以師級部隊為核心、能夠在大規模作戰行動條件下執行多域作戰任務的部隊。
“陸軍2030”計劃增強了師級和軍級部隊在同等級別對手作戰中集成戰鬥力的能力。特別是在師級層面,“陸軍2030”在訓練中的影響最為顯著,因為師的編成不僅包括司令部,還包括為徹底擊敗敵軍而組建的任務部隊。
隨着各機構和司令部對“陸軍2030”計劃的眾多成果進行消化和理解,一個問題仍未得到解決:“師如何作戰?”在將炮兵、騎兵和其他能力從旅戰鬥隊轉移到師級司令部之後,師和軍將如何支援前線部隊,以及在不同層級上存在哪些依賴關係?
陸軍野戰條令《FM 3-0 》將多域作戰確立為我們的作戰概念,在我們進行實兵實裝試驗時,必須開展對話並持續總結所吸取的教訓。
本文旨在通過深入探討師級部隊在“陸軍2030”設計方案下的作戰方式,為相關個人和組織提供有益的信息和指導。其中聚焦一箇中心問題:師如何作戰?
本文的撰寫意圖是進行一場專業討論,這意味着它並不取代任何條令和機構的權威性文件。
陸軍2030背景
陸軍2030和陸軍2040的致力於在條令、組織、訓練、物資、領導和教育、人員、設施和政策(DOTMLPF-P )等方面整合在大規模作戰行動( LSCO )和多域作戰 (MDO) 中所需的能力。陸軍2030計劃旨在打造一支具備多域作戰能力的部隊,這是我們在研究大規模作戰行動(LSCO )和多域作戰( MDO) 基礎上進行的條令變革。它將這一理念轉化為具體的設計方案,並通過部隊設計來實現。當它涉及到現代化時,美國陸軍諸兵種合成中心(CAC)的作用是“推動變革”。通過陸軍2030,美國陸軍諸兵種合成中心正在幫助推動組織變革,在貫徹多域作戰理念的過程中,這些新的組織及其指揮者將推動其訓練。陸軍2030計劃還為正在開發的新型裝備提供了“着陸點”,這些裝備將支持多域作戰為陸軍2040年的發展奠定了基礎。
陸軍2030年的構想主要有兩個來源。第一個是美國陸軍諸兵種合成中心的大規模地面作戰研究,第二個是陸軍未來司令部(AFC)開發的多域作戰概念和相關裝備解決方案的工作。這項工作改變了陸軍的重點從進行有限的應急行動到如何為大規模作戰行動組織、籌備資源以及訓練。在條令出版物ADP 3-0中有所描述,大規模作戰行動是指範圍廣泛、投入兵力規模較大的聯合作戰行動,旨在實現軍事行動中的戰略目標。
2018-2019大規模地面作戰行動研究是由美國陸軍諸兵種合成中心領導的一項為期多年的評估,該評估借鑑了任務式指揮訓練計劃(MCTP)以及其他經驗。這項研究確定了從情報分析到指揮部生存性等17項高風險能力差距。然而研究的關鍵發現陸軍尚未做好大規模戰鬥的準備。在大規模作戰行動研究期間,美國陸軍諸兵種合成中心的指揮官邁克爾·D·倫迪中將給出了這樣的評估總結:
發展陸軍文化的核心挑戰是重新使我們的師、軍和戰區陸軍能夠作為戰鬥隊作戰。從20世紀90年代中後期對大國衝突風險降低的認識開始,並因持續的有限應急作戰而加劇,陸軍從以師為基礎的部隊轉變為以旅為基礎的模塊化部隊。
因此,旅級以上的部隊(EAB)從高能力的戰鬥隊轉變為指揮部,可以根據作戰“模塊”進行兵力定製以完成各種任務。
隨着時間的推移,獨立的模塊化單元進一步優化,以適應當前的打擊叛亂和其他穩定行動。
再加上定向裁員期間的大幅削減,旅級以上部隊總部的支持能力大大降低,只能支持有限的應急作戰。
然而當時,旅級以上部隊的削減大大降低了陸軍履行其全部主要職能的能力——執行迅速和持續的地面作戰以擊敗任何威脅軍事行動的敵人。
因此,推動陸軍2030計劃的關鍵思想是,必須使師在軍和戰區的支持下成為決定性編制。陸軍的做法是通過重組,使關鍵能力現代化,提供預期的未來反介入、區域拒止作戰能力。
陸軍2030變革的第二個來源是多域作戰概念,該概念起始於美國陸軍能力集成中心對於俄羅斯下一代戰爭研究,分析潛在對手在美國應對伊拉克和阿富汗戰爭期間是如何改革的。FM 3-0將多域作戰視為一個轉折點,建立在過去的40年裏隨着作戰環境的變化而逐漸變化的基礎上。
多域作戰擴大了包含太空及網絡上傳統的陸地、空中和海上領域。此外,多域作戰概念是指代表聯合部隊司令的聯合部隊及陸軍能力的合成兵種的應用,以創造和應用相對實現目標、擊敗敵軍、鞏固收益的優勢。
這些能力進一步擴大了“擴展戰場”,進一步提高了物理、信息和人員維度的複雜性。多域作戰提供了充分利用這種複雜性的工具。
為了應對這些要求,美國陸軍諸兵種合成中心啓動了一系列以部隊設計2030為中心的條令、組織、訓練、物資、領導和教育、人員、設施和政策變化。隨着2030年改革的實施,陸軍師和軍將能夠:
• 作為聯合部隊的一部分,整合和利用包括空中、太空和網絡空間在內的多個領域的能力。
• 保持高節奏的遠程作戰行動。
• 防衞關鍵節點和資產
• 擊敗從所有領域威脅地面部隊的敵人。
• 執行後方行動,以支持和維持師部指定區域內的所有行動。
在資源和結構限制下,陸軍使用這些能力的主要機制是整合軍事力量軍和師的主要火力、地面偵察和工程軍事力量。
這使得軍、師指揮員在關鍵節點能夠靈活地集中作戰力量。
我們經常聽到,師的任務是組織和分配隊伍,那麼為什麼要改變組織方式。
原因如下:將炮兵和工兵等部隊分配到師級部隊是有道理的,因為是將他們分配到即將需要戰鬥的部隊。
師炮兵將作為師屬野戰炮兵司令部作戰。
因此,將師作為行動單位相應地分配部隊,可以獲得訓練,提高戰鬥力。這就是我們該如何戰鬥我們就該如何去訓練。
部隊設計2030的實施
陸軍在開發過程中對部隊設計2030進行了廣泛的實驗
最初,這些實驗的目的是幫助美國陸軍諸兵種合成中心改革其他編制,如軍、功能營和旅,以實現陸軍2030。
在2021-2022年期間,實驗的重點是改進和驗證設計,以便提供正確決策。
最近的實驗結果仍在分析中,一些初步的見解包括以下幾點:
• 師作為關鍵戰術的編隊,在大規模作戰行動中機動需要擁有適當的部署和執行策略的能力。
• 為在近戰區中機動作戰,師需要軍提供能夠火力,情報收集的部隊來支持該機動作戰行為。
• 藝術和科學的維持仍然是我們首要驅動力。
• 像空射效應無人機這樣的機器人系統以及地面層這樣的電子戰系統為指揮官提供了重要的軍事力量,這將提高我方的機動能力。
• 新興的防空系統具備適當的能力,但仍然需要大規模和分層這些系統,來具備擊敗對手大規模火力的能力。
部隊設計2030:五個師的類型
雖然最終的設計和部署時間表仍商議,但有五個師的作為部隊設計2030的一部分。
• 突破師—美國陸軍騎兵第1師,第1裝甲師,美軍陸軍國民警衞隊第34步兵師,為師一級的大規模戰鬥力。
• 重型裝甲師—裝甲和機動編隊,具有重要的多領作戰能力,並具有任務組織以應對突發事件的能力。包括第1步兵師、第4步兵師和第36步兵師。
• 空降師-第 82 空降師在和平時期改編為能夠進行全球戰略部署師級編制,其中包括空降行動。
• 空中突擊師 -第 101 空降師 在和平時期重組為以師為中心的編隊,能夠在全球範圍內進行戰略和作戰部署聯合強行進入包括師級別的空襲行動。
• 輕型師——以步兵為中心的編隊,具有重要的多領作戰能力,能夠進行任務組織以應對突發事件。包括第10 山地師、第 25 步兵師和第 11 空降師、第 28 步兵師、第 29 步兵師、第35 步兵師、第 38 步兵師、第 40 步兵師和第 42 步兵師。
在部隊設計2030下,所有師和軍都更新了多域作戰相關信息,陸軍優化了三個師的設計,以提升軍事力量。分別為突破師、空降師和空中突擊師 。
陸軍將派出兩個現役裝甲師和一個預備役突破師。第82空降師和101空降師將分別為空降師和空中突擊師的設計提供資源。
根據劃分類型,劃分的主要變化包括:
l分層偵察,包括一個師騎兵中隊(DIVCAV)
l師屬炮兵旅有大量炮兵連和一個增程火炮營
l機動防禦火力營為輕型步兵部隊提供直接火力支援
l現代化的情報和電子戰能力,包括陸地層系統-旅以上部隊(TLS-EAB)
l信息優勢(IA)能力,包括G-39 IA人員
l集結師工兵旅的工兵資源,包括為突破師分配的橋樑能力(加強)
l一個防衞旅,用來增強後方區域指揮控制的安全防衞
l一個專門建造的戰鬥航空旅(CAB),配備空射效果(ALE)和無瞄準線(NLOS)導彈
l現代化的防空能力

值得注意的是,對於新的師級編制,在過去的幾年中,嘗試了美國陸軍諸兵種合成中心強調軍作為高級戰術梯隊的作用,以及作為整合多域能力以擊敗敵人綜合火力司令部。FM 3-0多域作戰條令指出軍是最底層的聯合司令部。沒有任何一個師能夠在沒有軍進入以及維持、情報和火力支援的情況下開展大規模作戰。鑑於其戰術作用,一些包括火箭炮在內的兵力已被整合到軍級單位。這使得軍通過以下發揮作用:
l戰役火力司令部,擁有多管火箭炮和軍屬加農炮火力
l多個火力旅
l遠征軍事情報旅和情報、電子戰營的支援
l戰區賦能的戰鬥航空旅支援
l支援營
該師作為決定性的戰術編隊
陸軍2030和多域作戰的一個關鍵區別是將師指定為陸軍的主要戰術作戰編隊。在20世紀90年代,面對旅級規模的輪班和有限的應急行動部署,該旅成為了機動部署單元。
這種情況在2005年隨着為支持反叛亂和廣域安全行動而優化的旅級戰鬥隊的出現而進一步鞏固。大規模作戰的研究表明,旅級的合成兵種作戰沒有強大的兵力和戰鬥力,來實現突破同級競爭對手的防禦準備。
此外,旅級參謀缺乏在聯合部隊的背景下作為陸地部分作戰的能力。
為了應對這種情況,陸軍要求師成為所有領域機動規劃和能力的焦點,以塑造近距離戰鬥。
將該師指定為決定性戰術編隊意味着它在自己的隊伍中擁有完成主要戰場任務所需的大部分能力。
此外,它還保持了人員職能、經驗和對聯合共同作戰圖景的理解的多樣性,以調動部隊並實現軍和聯合部隊地面司令部的目標。
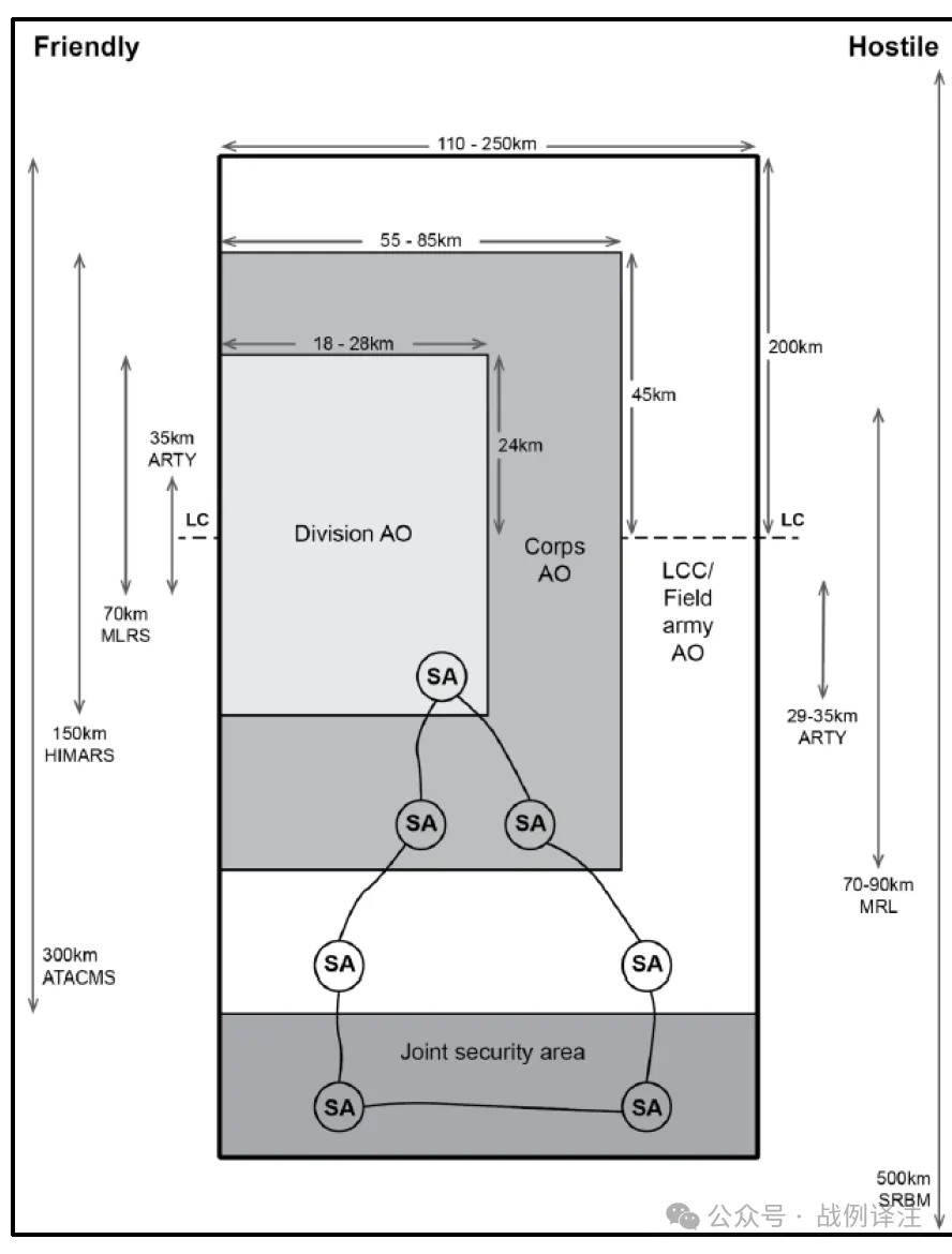
為了進一步理解這一點的含義,圖1中取自陸軍野戰條令FM3-94,指出了軍和師作戰中之間相互保持的距離,以及在大規模作戰中敵人火力系統與偵察設備與軍師的影響。

18-28公里前線的小規模作戰演習所分配的前線部隊作戰人員,要比40-100公里人員少。
此外,師24公里的縱深距離也明顯短於未來概念中的距離。這些數字不一定符合擴展縱深區域,但代表了師編制和師總部的武裝力量。
擴大戰場並不是擴大師的職責。這將會使帶來更大的壓力。相反,fm3 -0恢復了戰術師以上指揮部,特別是軍的作用。條令把師視為近距離作戰焦點。師由戰術集中、火力和重裝維持的軍支援。
師部2030部隊設計
陸軍2030師參謀結構也有重要的變化(見圖2)。我們將向G39情報優勢單元、後方戰地指揮所和防衞人員提供信息。

新興信息作戰理論與實踐集成了網絡、空間、心理戰、CA和信息作戰的信息功能。
FM 3-0描述了陸軍部隊如何在多個領域進行機動,以及在物理、人力和信息等三個維度佔據優勢位置。信息優勢是關於在信息維度中佔據優勢地位。
該手冊將IA定義為“部隊在相關行動者行為、情境理解和決策制定方面掌握的主動權”。在師參謀部的新的G39結構賦予了師指揮官創造信息優勢條件的能力,通過計劃和執行信息優勢行動的能力,評估效果,然後重新定位目標。
這與陸軍2030保持一致:戰區信息優勢單元、戰區打擊效果組、戰區火力要素/指揮等。最終,該部隊將保留信息維度的大部分權力,但該師的G39賦予該師指揮官計劃和整合與情報部門相關的能力的能力。
後方指揮所。“陸軍2030”的設計承認缺乏能力指揮和控制後方區域的能力。目前師部只包括一個19-士兵支援區指揮部(SAC-P)。還有一個變化是FM3-94將合併重組為後方區域,並規定了一個指揮區控制那個區域。為此,陸軍2030設計建造了一個 81名士兵的後方指揮所 ,與C2s、防衞旅一起負責後方並維持戰鬥。
陸軍2030對軍和師的戰術應用
首先,軍必須有資格作為一個戰術梯隊。軍/聯合部隊地面部隊司令部必須調動各領域的能力,瓦解威脅。在以競爭對手為目標時,軍必須部署各師,以迅速利用收益,同時孤立目標;阻止敵人重新部署和部署預備隊。
關於聯合火力,情報,和信號方面的機動。這些都不是我們軍部野戰訓練環境中能夠演練控制的。陸軍2030年對訓練我們的師和軍具有重大影響。
其次在大規模作戰中,所有的師都在一個軍的指揮下與其他師協同作戰。在目前的作戰演習中,師級的進攻允許範圍是40-60公里最小的機動方向。
陸軍2030部隊設想了一種大規模作戰,在這種戰鬥中,軍機動各師,不僅是聯合火力和情報,而且與其他師一起,建立一個師進行攻擊和利用準備好的敵人防禦。
軍在縱深區域時將保留軍事力量,將主要精力放在火力、航空、維持和情報收集上。
第三,陸軍2030擁有真正的大規模作戰攻擊力,包括地面層系統旅上梯隊,G39,跨領域部隊,和非瞄準型“長釘”導彈。很容易看到集成傳感器功能的力量從地面、空中、空間和網絡偵察,具有g39的分析能力和附加的國際航空裝置的執行能力。
第四,裝甲旅戰鬥隊不能再建立自己的機動條件,缺少騎兵和炮兵已不再是個例。無論是在空間還是時間上,旅戰鬥隊有最小的縱深作戰。相反師指揮旅機動將更多。舉個例子,在沒有師炮兵支援下,裝甲旅戰鬥隊不將執行突破的任務。但是裝甲旅在接受師支援下,而不是配屬炮兵營的情況,將會有多個炮兵營直接或全般支援旅機動。
陸軍2030師設計:突破師
圖3列出了突破師的編制。首先注意到師的炮兵部隊被分配到師炮兵旅。突破師也將在增程火炮營被部署時接收他們。師部的工兵旅也是如此包含了執行突破任務的重要力量。防衞旅是新的構建以整合防衞任務,增強後方的安全。師維持旅的變化,以適應新的師結構。我們將依次處理這些陣型。是整合後方防衞任務,加強後方安全而組建的新部隊。師維持旅進行了調整,以適應新的師結構。我們將依次處理這些陣型中的每一個。

裝甲旅戰鬥隊將18門榴彈炮轉移到師炮兵旅,減少地面偵察為一個裝甲連。
這對我們的裝甲旅戰鬥隊指揮官來説是徹底的改變。
沒有指定的火炮或偵察中隊,裝甲旅戰鬥隊為其營形成縱深的能力被嚴重削弱。因此裝甲旅戰鬥隊變得更加以機動為中心,陸軍在師一級加強火力和地面偵察。
在師資產的支持下,裝甲旅戰鬥隊變得更加靈活和以機動為重點,而沒有炮兵的維持和移動以及騎兵中隊的深度戰鬥問題。
在當前的作戰人員中,師長經常通過從旅戰鬥隊中抽調一個騎兵中隊來組織地面偵察工作。在目前的作戰人員組成中,騎兵組織沒有有效整合所需的訓練和聯繫。
《陸軍2030》為突破師指揮官提供了一個真實的,師屬騎兵中隊。
一個專門的、經過專門訓練的地面偵察單位,使師部有能力為獲取信息而戰,進行安全行動。
包括師部參謀和戰鬥航空旅的無縫協調,以及在反介入及區域拒止作戰系統下為聯合部隊擴展全天候偵察和電子戰工作的能力。師屬騎兵中隊不使用BCT-minus主導整個師執行警戒行動,以節省兵力。
突防師的師炮兵旅。除了54門榴彈炮的集中火力外,突防師的師炮兵旅作戰火力司令部聯合火力。在以裝甲師(增援)為主的情況下,它很可能會接受另一個火力旅的戰術控制。
突防師的師炮兵旅指揮官保留了地面部隊火力支援協調員的火力同步 。
師工兵旅。工兵師再設計是陸軍2030部隊設計更新的一部分 ,其中建立一個三營工兵編隊,包括戰鬥步兵連和 多功能架橋連(MRBc)。這個旅允許裝甲師(加強)指揮官訓練他的師為克服江河障礙提供編制內的力量,同時加權他的主要兵力-裝甲旅戰鬥隊,執行突破任務。在2030年的陸軍中,裝甲旅戰鬥隊保留了他們的旅工兵營。
防衞旅。防衞旅減少了對師後方指揮所(RCP)C2需求,提供了一個總部和指揮官,集中對整個作戰區域的防衞作戰功能。
防衞旅指揮官將師防衞任務納入作戰概念。防衞旅是美陸軍機動近程防禦系統能力的“着陸點”。
該旅還有另一個工兵營,主要負責部隊防衞任務。在後方有繞道或孤立的敵軍時,師司令官可向防衞旅派遣戰術作戰部隊,保衞戰果。
戰鬥航空旅裝甲師和突破師擁有特定的戰鬥航空旅。ALE和 非視距導彈代表了其新的軍事力量
航空部門的重新設計產生了戰區戰鬥航空旅,這對軍隊對抗多域作戰和大規模作戰的概念很重要。更重要的是,戰鬥航空旅將為“着陸點”成為未來垂直升力提供軍事力量。
師是如何作戰的:水域障礙穿越
為了展示突破師是如何戰鬥的,下面討論了兩種戰術場景。首先,首先,我們將考慮一個由突破師執行的濕地間隙穿越行動。接下來,我們將討論使用空降師進行的聯合強行進入作戰行動。這兩段討論都聚焦於陸軍2030的“不同之處”。我們會發現,雖然陸軍2030主要是一個初級變革,但它卻在促進大規模聯合部隊作戰成功的起到了強大理論構想。

首要的關鍵任務是為機動創造條件。
在裝甲師(加強型)與敵軍接觸之前,削弱敵方的反進入/區域拒止能力,包括集成防空系統、情報、監視與偵察、電子戰以及信息作戰要素,主要是陸軍戰區和軍級部隊的作戰任務。
關鍵條件包括識別和摧毀敵方的監視能力。這些監視能力涵蓋了小型無人機系統、電子戰、非常規戰、開源情報(OSINT)、太空以及網絡能力。
戰區和軍級部隊利用戰區火力指揮中心與多域特遣部隊、具備多個火力旅的作戰火力協調中心、戰區信息優勢要素或分隊(TIAE或TIAD,在軍和師級設有多個分隊),以及聯合國家和多國情報、網絡和太空資產,來實現其作戰目標。
軍級部隊利用支援部隊發起對敵方干擾區部隊的間接火力打擊、電子戰和直接火力接觸,以發展戰場態勢並在物理、人力和信息維度上奪取有利位置。
在這一階段,突破師及其相鄰的未接觸敵方的師和旅保持戰鬥力,進行演練,並按照指示執行作戰行動,以支援軍部的初步行動。
接下來,在為滲透機動創造條件後,軍級部隊指揮突破師進行前出越線行動,並接近突破口。這裏提到的幾個關鍵行動和要素包括:
在這一階段,突破師從戰術集結區域向渡河(或跨越障礙)區域移動,並與相鄰師一同執行前出越線行動。
師屬騎兵中隊與空中偵察、空中打擊和電子戰要素(包括陸地層系統-旅級以上梯隊等)以及G2和G39中的分析人員緊密配合,共同設定了作戰的節奏。
一個裝甲旅戰鬥隊作為支援部隊,發起攻擊以摧毀敵方的干擾區部隊並確保近岸安全。
師戰術司令部與師作戰副指揮官共同設立了一個指揮所來控制障礙穿越。工兵旅負責建搭建路線、集結區域以及裝備安置點。
在G39部門,信息優勢作戰中心負責監控情報輸入,分析敵人的決策過程,向指揮官提供一系列可用於欺騙敵人或控制戰場局勢的策略或選項,以供其參考和決策。
火力支援協調員從直屬炮兵部隊、直接支援的軍團炮兵部隊以及聯合火力中分配火力支援大隊。火力支援協調員已經提前着手確認計劃中的炮火支援區域和彈藥補給點,以支持水域障礙穿越火力支援。
師保障旅正在為數小時後開始的機動,調配所需的運輸資源。裝甲旅戰鬥隊負責提供兵力,以消滅被裝甲騎兵部隊繞過的敵方部隊,並清除可能存在的敵方單位所在的區域。
軍級部隊為師級部隊規劃障礙穿越區域,並利用中發射效應(ALE)、精確制導多管火箭系統(PRSM)和非直瞄發射系統(Spike-NLOS)減少敵方的雷達和電子戰裝備。
軍級部隊利用戰區支援司令部的資源來加強師級部隊縱深作戰中的空間和時間間隙,並通過運用火力協調中心(OFC)來規劃突破師的渡河區域及其後續行動。火力協調中心負責同步自身的火力旅、相鄰師的炮兵部隊以及聯合火力支援。
來自軍級支援司令部(ESC)的軍級部隊保障能力正在為執行其物資輸送任務而分階段集結,以在橋頭堡建立保障體系。軍級部隊在時間和空間上的縱深作戰,為加強裝甲師的快速機動創造了條件,使其能夠在艱難的濕地渡口集中指揮與控制(C2)、炮兵、情報、電子戰(EW)、空中和騎兵力量。
軍部向前推進,儘可能地將師部的後方邊界前移,以便讓主要作戰力量能夠將資源集中在近距離作戰上。
下一階段是水域障礙穿越的突擊行動。為此次行動,突破師配備了7個機動渡河浮橋系統(MRBCs),足以搭建兩個400米跨度的浮橋。在這個例子此次中,該師選擇了在同一渡河區域內使用兩個渡河點,以最大限度地提高其在對岸建立戰鬥力的能力。
在這一階段,支援裝甲旅戰鬥隊(ABCT)、師屬炮兵和情報能力都在戰術指揮中心(TAC)的指揮下行動,以壓制和遮蔽渡河點和對岸目標。在火力方面,一個炮兵旅負責壓制和遮蔽一個渡河點,而一個配屬或直接支援的炮兵旅則負責壓制和遮蔽第二個渡河點。
第三個炮兵旅——火箭炮旅擔任反炮兵火力指揮中心。師的工程偵察營A連(ERC-A)在橋頭陣地展開行動。軍級部隊的重點是削弱敵方的綜合防空系統(IADS),以獲取騎兵旅(CAB)的機動自由。機動渡河浮橋系統(MRBCs)在儘可能晚的時刻向前移動。由於該橋樑單位和該師及其裝甲旅戰鬥隊(ABCTs)進行了多次協同訓練,橋樑部隊、機動部隊和火力部隊能夠協同一致地執行熟悉的任務。
師屬騎兵中隊(DIVCAV)、配備有先進地域偵察與輕型部隊(ALE)的騎兵旅(CAB)、以及作為先頭機動部隊的戰術偵察支隊-增強型裝甲偵察兵(TLS-EAB)、工程偵察營A連(ERC-A),以及來自軍級支援司令部(ESC)或直接支援旅(DSB)的保障物資輸送部隊,都在為向橋頭陣地發起突擊以及將保障和支持力量推過間隙做準備。
當部隊從對岸推進並穩固了橋頭陣地後,兩個裝甲旅戰鬥隊(ABCTs)完成了對橋頭目標的佔領,同時包括師屬騎兵營(DIVCAV)和空中騎兵在內的偵察部隊開始在橋頭陣地之外延伸警戒線。與此同時,保障和支援力量在對岸重新建立了保障區域。
“師防衞協調員”負責指導重新建立防衞任務,包括防空力量的整合和對被繞過敵軍的削弱。師部完成了所需信息的收集,並開始與被指定或配屬的裝甲旅戰鬥隊(BCTs)及其攻擊航空部隊一同展開偵察和利用行動。
快速的推進使得電子戰(EW)資產,包括戰術偵察支隊-增強型裝甲偵察兵(TLS-EAB),能夠接觸到更多的資源。在與G2(情報部門)和G39的協調下,他們發現了一個戰鬥航空旅(CAB)可以在不與敵方直接接觸的情況下發起攻擊的機會。師部與軍級部隊進行協調,將太空和網絡活動與特種作戰部隊相結合,這使得裝甲師(加強)指揮官能夠在接下來的黑夜時段迅速整合空中、空間、網絡和陸地能力等多方面的能力,以實現一種聚合效應,這種效應有可能瓦解敵方剩餘的綜合防空系統(IADS)和火力網絡。
2030年陸軍師級設計:空降師與空中突擊師
圖5展示了空降師的任務組織,它與空中突擊師的任務組織相似。本節將討論這些結構。

旅級戰鬥隊。以空降部隊(Airborne Divisions)為基礎,結合快速機動的步兵力量,並使用步兵載具(Infantry Carrier Vehicles, ICVs)進行迅速推進的作戰模式。
空突師利用輕型旅級戰鬥隊(LBCTs),這個戰鬥隊是專為戰略和戰役機動性設計的,車輛數量最少,能夠在複雜地形中佔據主導地位。
雖然機動旅級戰鬥隊(MBCT)和輕型旅級戰鬥隊(LBCT)都取消了分配的炮兵部隊、騎兵中隊和工兵單位,但它們仍保留了偵察連。
師屬騎兵中隊。空降師和空突師都配備了輕型師屬騎兵中隊(DIVCAV),以提供全天候的地面偵察和安全保障。DIVCAV還能夠執行兵力節約的任務。輕型師屬騎兵中隊的設計包括一個跨域偵察連,該連隊通過包括無人機系統(UAS)在內的多個維度維持與敵方的接觸,並允許騎兵部隊充分利用師級的多域能力。
師屬炮兵。師屬炮兵成為一個由三個配屬的105毫米和155毫米牽引式榴彈炮營組成的部隊。在空降突擊或空中突擊中,炮兵將被編組到空降突擊特遣部隊中,但隨着後續部隊進入空降場,師指揮官將能夠組建一個師屬炮兵部隊,他可以在整個戰場範圍內對其進行組織和調配。
戰鬥航空旅。空降師和空突師的戰鬥航空旅都將根據航空作戰計劃進行調整。空降師的戰鬥航空旅將不會有太大變化。然而,空突師則增編了一個重型突擊營,這使得該師能夠在一次夜間行動中移動一個旅級戰鬥隊。
防衞旅。對於聯合部隊遠征師來説,防衞旅的大部分兵力將部署在預備役部隊中。其他師級編制。機動防護火力營為步兵部隊提供直射火炮支援。師屬工兵營在師級層面整合工兵作戰力量,使師指揮官能夠分配任務並組織部隊。師屬保障旅雖因新設計而進行了關鍵性調整,但其能力並未發生顯著變化。
師級部隊如何作戰:空降突擊
在接下來的場景中,我們將描述一個空降師在空降突擊後,在一個非連續作戰區域內,作為聯合特遣部隊的一部分進行作戰的情況。
在此場景中,聯合部隊指揮官意圖通過空降突擊行動,將敵軍從其預設的防禦陣地中驅逐出去。聯合部隊已經確立了制空權、制天權和制網絡權,並削弱了敵軍的綜合防空反導系統(IADs),從而為聯合部隊指揮官提供了實施這一作戰方案的選項。
這意味着,為了專注於2030年陸軍的軍事力量,我們所考慮的場景假設聯合部隊已經創造了條件,能夠為聯合部隊指揮官提供這一作戰選項。在這個場景中,一支由美國陸軍軍級部隊組成的戰術梯隊已經準備就緒,該軍級部隊由裝甲師和輕步兵師以及相關的支援部隊組成,準備在聯合特遣部隊的主要行動方向上對敵軍的防禦進行突破。
聯合部隊指揮官的意圖是將此次突破的戰果與另一項機動效果——空降突擊相結合,後者將在另一條進攻路線上威脅敵軍的通信線路。指揮官的目的是通過這一機動轉向行動,牽制敵軍的大部分戰鬥力,以防止他們將所有兵力投入到對抗突破行動的戰鬥中。
在圖6所示的情況下,空降師的突擊部隊已經成功佔領了空降場並確保了其穩定,使得後續梯隊能夠順利進入。然而,該師目前仍然依賴空運進行補給,這限制了其機動能力。師指揮官計劃通過截斷敵軍位於標記為OBJ KANSAS的城區附近的關鍵通信線路,來牽制敵軍部隊。

一個機械化步兵旅戰鬥隊正率領兩個搭載步兵戰鬥車(的步兵營向OBJ KANSAS發起攻擊。他們與兩個多管火箭炮連和一個工兵連協同作戰,並有一個攻擊航空連提供直接空中支援。該機械化步兵旅戰鬥隊還部署了來自軍級情報、電子戰和偵察營的一個戰術定位系統。通過與師內和其他聯合部隊中的TLS相結合,聯合部隊能夠在多域進攻路線上獲得地面接入能力。此外,三個炮兵營為機械化步兵旅戰鬥隊提供直接支援。
一個機械化步兵旅戰鬥隊負責確保空降場的安全。
完成這項任務需要兩個步兵營及其支援部隊。這個機械化步兵旅戰鬥隊同樣部署了一個戰術定位系統,並與一個工兵連進行了協同作戰的編組。其炮兵支援來自空降場上的一個炮兵營。
師屬騎兵中隊執行警衞任務。為了完成這一任務,它得到了多管火箭炮和工兵部隊的支持。師屬騎兵中隊在能夠獲取重要數據流的地形上部署了一個戰術定位系統。該中隊與G2(情報部門)和G39(作戰計劃部門)的常規協作關係為其帶來了益處,因為它能夠為聯合部隊的其他部隊提供關鍵的情報和早期預警。
戰鬥航空旅(CAB)部署了一個包括攻擊機中隊在內的突擊空中特遣部隊。戰鬥航空旅的‘長釘-非直視線’(Spike-NLOS)導彈和先進激光制導武器(ALE)能力賦予了攻擊航空部隊重要的遠程打擊能力。而運輸機則負責執行多種任務。”
防衞旅的大部分兵力仍位於後方梯隊,但防衞旅的資產正在被利用。一箇中短程防空導彈(MSHORAD)連隊被部署來防衞部隊免受敵方飛機和小型無人機的威脅,而一個間接火力防護能力(IFPC)連隊則被部署來防衞空降場免受彈道導彈和巡航導彈的攻擊。”
對於師級指揮所,師長決定部署兩個加強型戰術指揮控制中心(TACs),以最大限度地提高靈活性。師級指揮所與下屬指揮所以及空降場上的美國空軍指揮所相連,以提供多種選項。
結論
隨着這些戰術梯隊在聯合大規模作戰和多域作戰(環境中承擔起各自的角色,仍有大量工作需要完成。訓練與條令司令部-教育與訓練參謀部已制定了一份陸軍2030年學習需求清單(附錄1),其中確定了與聯合特遣部隊作戰能力缺口相一致的重點領域,這些領域將為能力開發和整合決策提供信息支持。
正如我們所見,陸軍2030計劃直接應對多域作戰中大規模戰鬥的問題。這導致對師和軍級單位的戰術角色重新給予了重視,同時由戰區陸軍提供聯合部隊所需的關鍵能力。多域作戰環境要求產生大規模作戰效能,而陸軍2030計劃在組織設計、關鍵現代化項目以及預期的未來能力等方面都致力於實現這一目標。
附錄1:陸軍2030學習需求
1、深度感知與遠程火力
軍縱深戰鬥:在縱深戰鬥中,軍、師和旅戰鬥隊之間的功能、責任和能力是如何劃分的?
2、信息優勢:信息優勢(IA)相關的功能和能力是如何在戰場上不同層級進行分配和運用的?
3、進攻型機器人技術:旅戰鬥隊、師和軍團如何運用和利用進攻型機器人能力?
2.指揮與控制
持續生存能力:在短期內,聯合特遣部隊作戰(LSCO)和陸軍2030設計中的指揮所如何分散部署,以確保在大規模作戰環境中的生存能力?
數據和決策:在短期內,如何做師和部隊 總部整合了加快決策速度的能力?包括數據分析、人工智能、決策等。
3.防護
後方區域:在後方區域,如何劃分和同步軍團和師司令部之間的防衞任務的?
4.後勤保障和持久力
為了支援分散並處於機動狀態的師級部隊,各層級需要具備哪些適當安全保障的後勤保障能力?
附錄2:編成




